8 минут назад TAGalex сказал:
Добрый день Рольф! Мне очень понравился Ваш проект Джинни, и так как Вы позиционируете его как открытый, я разработал и изготовил (по Вашим принципиальным схемам ) одноплатный вариант СМД Джинни.
Good afternoon Rolf! I really liked your Jeannie project, and since you position it as open, I designed and manufactured (according to your schematic diagrams) a single-board version of Jeannie's SMD.
Hallo Alex
I think the display is not the right type. Hence the display error.
The correct display type: https://www.buydisplay.com/st7735-1-8-inch-color-tft-display-module-spi-128x160-arduino-raspberry-pi
But you can ask tubeohm.com if he sells a piece.
Happy Easter from germany. Rolf
Jeannie DIY Project: https://www.sequencer.de/synthesizer/threads/jeannie-polyphonic-diy-synthesizer.160564/
Hi dear synth fans.
The Jeannie can now stereo. I reprogrammed the voice distribution in the Jeannie a bit.
The eight voices can be distributed arbitrarily in the stereo panorama. In addition, there is now a Unison and Mono mode.
Voice distribution in Poly mode:
1.Voice Left 90%, Right 10%
2.Voice Left 80%, Right 20%
3.Voice Left 70%, Right 30%
4.Voice Left 60%, Right 40%
5.Voice Left 40%, Right 60%
6.Voice Left 30%, Right 70%
7.Voice Left 20%, Right 80%
8.Voice Left 10%, Right 90%
Voice distribution in mono mode
Mono: middle voice
Mono-2: 1st voice left, 2nd voice right
Mono-3: 1st voice left, 2nd voice middle, 3rd voice right
Mono-4: 1st Voice Left, 2nd Voice Left to Center, 3rd Voice Right to Center, 4th Voice Right
Mono-6: 1st voice left, 2nd voice slightly left to center, 3rd voice slightly more left to center, 4th voice slightly more right to center, 5th voice slightly right to center, 6th voice right
The whole thing can be spread from mono to stereo with the PAN control ![]()
The distribution of votes in Unison mode is still being worked on.
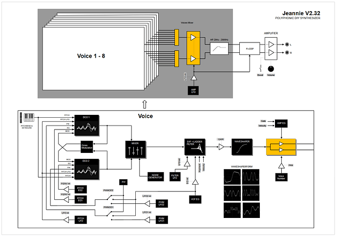
Jeannie current Voices Block
Спасибо, но отдельно дисплей на tubeohm.coм не продается. Я покупал на Алиэкспрес, несколько и они все не подходят. А на https://www.buydisplay.com/st7735-1-8-inch-color-tft-display-module-spi-128x160-arduino-raspberry-pi не могу моя карта не обслуживается, Может gодскажете где еще можно купить этот дисплей.
Спасибо, но дисплей не продается отдельно на tubeohm.com. Купила на Aliexpress несколько и все они не подходят. И https://www.buydisplay.com/st7735-1-8-inch-color-tft-display-module-spi-128x160-arduino-raspberry-pi я не могу, моя карта вышла из строя, можете ли вы сказать мне, где еще вы можете купить этот дисплей.
What type of display are you using ?
Я использую такой дисплей Модуль дисплея 1,8 дюйма 1,8*128 OLED, 8-контактный ST7735 RGB TFT ЖК-экран 128X160 SPI для Arduino STM32, Комплект «сделай сам» - купить по выгодной цене | АлиЭкспресс
Я использую такой дисплей 1,8 "1,8 * 128 OLED модуль дисплея 8-контактный ST7735 RGB TFT ЖК-экран 128X160 SPI для Arduino STM32 DIY Kit - Купить дешево | Алиэкспресс
Sorry.. Your display is not compatible with Jeannie. Please use the original display type ER-TFTM018-3 from buydisplay.com.
Link: https://www.buydisplay.com/st7735-1-8-inch-color-tft-display-module-spi-128x160-arduino-raspberry-pi
Greetings from germany. Rolf
Добрый день. Я благодарен за подсказку но я не могу купить этот дисплей так-как мая кредитная карта от сбера не обслуживается ( из-за санкций)
Good afternoon. I’m grateful for the tip, but I can’t buy this display because my credit card from Sberbank is out of service (due to sanctions)
Ok I understand. Then we try to adapt the software for you. But it can take a while. I need your email and will send you the software.
I need a picture from display backside. Thanks.
Greetings from germany ![]()
Good 1 day. Thanks for the help. I am using this display. Judging by the marking, he is the one on https://www.buydisplay.com/st7735-1-8-inch-color-tft-display-module-spi-128x160-arduino-raspberry-pi
Добрый1 день. Спасибо за помощ. Я использую этот дисплей. Судя по маркировке он тот чвто и на https://www.buydisplay.com/st7735-1-8-inch-color-tft-display-module-spi-128x160-arduino-raspberry-pi
My email address is tag54@list.ru
The OLED display is also very interesting, I really want to use it.
Еще очень интересен олед дисплей, очень хочется применить его.
The OLED display has a different pixel resolution and is not supported in the Jeannie software.
Trial version 2.21s for display problem..
Please try this..
Sorry !?
I can not upload zip files in the midi box forum. Size of my zip file 1.2MB
Error message -200
Good afternoon And if you try to download the mail directly to May: tag54@list.ru
Good evening, Rolf. I’m sorry, but it didn’t work. some display is wrong.
try to split the zips, i think the maximum upload size is 1MB each.
Best regards,
Peter
Thanks Peter. I have send Zip-File via email ![]()
Mmm.. I think it’s a problem with the display initialization. I changed that again. Please try again
File is send via email.
Greetings. Rolf



