hei
i am currently working on a BLM16x16+X.
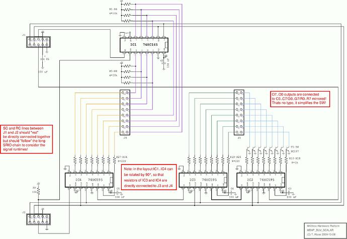
based on the improvements released here: blm16x16_build_guide
Orginal-Circuit:
Improved Circuit:
The Kicad-Files for it: [BLM-Scalar-einfach.zip](< base_url >/applications/core/interface/file/attachment.php?id=15870&key=fbcf24ea0bf986f9030a44164a17a4fe)
All shematic Symbols have SMD-Parts (with 3D bodys) assigned,
also MouserPart Numbers are assigned
—but: its not routed - since i will integrate this circuit (like LatigidON did) on the BLM-PCB itself.
- I have no interest to Route the Scalar PCB itself - but its a good starting point - if somebody want to make a own PCB.
based on that, i am currently working on a BLM16x16+X:
I hope i made no mistakes in the shematic…
Nice! What are you planning on using for buttons/pads?
8 hours ago, forestcaver said:
Nice! What are you planning on using for buttons/pads?
adafruit rubber button 4x4
1 Like
Nice (I’ve used them for a couple of projects in the neotrellis) - it’ll be really nice and compact - I’d be really keen to build one when you finish it 
this will take a while - look into the forum in 5 weeks or so.
i need the PCB to make a new version off Triggermatrix (http://wiki.midibox.org/doku.php?id=triggermatrix4)
the Frontpanel is not a generic MatrixController thing - it has 17 Displays, 8 Faders, some rotarys and buttons, the Software for this is not a normal Midicontroller-code (aka Midibox NG) - its my own creation a sequencer based on MIOS.
- but if i not make a shematic mistake, the pcb should be usable like the orginal BLM16*16+X in other Midibox Projects.
1 Like
Thanks - looking forward to seeing it !
looking good… have not tested all buttons (since i am waiting for Silicon-Pads, and 1N4148) - but i guess everthing is ok…